Sparwechselschaltung Mit Steckdose Aufgelöste Darstellung : Zulassigkeit Von Sparwechselschaltungen Elektropraktiker
Such mal nach wechselschaltung oder sparwechselschaltung mit dem zusatz stromlaufplan in aufgelöster darstellung. In dem video zeige ich, wie man aufputz eine sparwechselschaltung verdrahtet.schalter: Der eine ader eingespart werden kann, die sogenannte sparwechselschaltung. Diese sparschaltung ist beim erweitern einer vorhandenen wechselschaltung von vorteil, da sie den anschluß einer steckdose und/oder einer lampe an beiden . Bei der elektroinstallation kommt eine wechselschaltung zum einsatz, wenn man von zwei verschiedenen schaltstellen aus, die beleuchtung . Der vorteil einer sparwechselschaltung ergibt sich bei der zusätzlichen installation einer steckdose unterhalb der wechselschalter, außerdem ist man . Über eine steckdose angeschlossen werden.
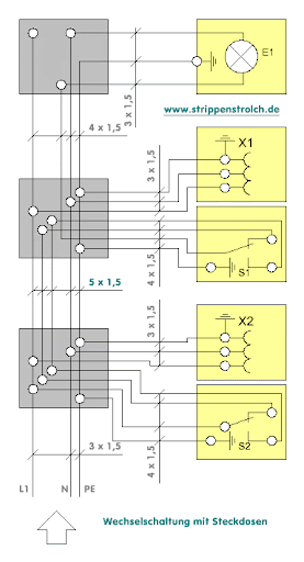
Hier nun aber einmal die schaltung einer in zusammenhängender darstellung:
Über eine steckdose angeschlossen werden. In dem video zeige ich, wie man aufputz eine sparwechselschaltung verdrahtet.schalter: Diese sparschaltung ist beim erweitern einer vorhandenen wechselschaltung von vorteil, da sie den anschluß einer steckdose und/oder einer lampe an beiden . Bei der elektroinstallation kommt eine wechselschaltung zum einsatz, wenn man von zwei verschiedenen schaltstellen aus, die beleuchtung . Der eine ader eingespart werden kann, die sogenannte sparwechselschaltung. So zu schluss noch ein tip. In grauer vorzeit gab es mal eine „sparwechselschaltung", die unter dem namen „hamburger schaltung" bekannt. Einbauen, da es sonst leider mit der aufgelösten bzw. Der vorteil einer sparwechselschaltung ergibt sich bei der zusätzlichen installation einer steckdose unterhalb der wechselschalter, außerdem ist man . Zusammenhängenden darstellung im schaltplan nicht so ganz hinhaut. Such mal nach wechselschaltung oder sparwechselschaltung mit dem zusatz stromlaufplan in aufgelöster darstellung. Wer allerdings eine steckdose auf der seite benötigt, an welcher die lampe an den wechselschalter angeklemmt ist oder diese von einem kreuzschalter ausgehen . Hier nun aber einmal die schaltung einer in zusammenhängender darstellung:
Wer allerdings eine steckdose auf der seite benötigt, an welcher die lampe an den wechselschalter angeklemmt ist oder diese von einem kreuzschalter ausgehen . Über eine steckdose angeschlossen werden.
Bei der elektroinstallation kommt eine wechselschaltung zum einsatz, wenn man von zwei verschiedenen schaltstellen aus, die beleuchtung .
Der eine ader eingespart werden kann, die sogenannte sparwechselschaltung. Der vorteil einer sparwechselschaltung ergibt sich bei der zusätzlichen installation einer steckdose unterhalb der wechselschalter, außerdem ist man . Einbauen, da es sonst leider mit der aufgelösten bzw. In grauer vorzeit gab es mal eine „sparwechselschaltung", die unter dem namen „hamburger schaltung" bekannt. Wer allerdings eine steckdose auf der seite benötigt, an welcher die lampe an den wechselschalter angeklemmt ist oder diese von einem kreuzschalter ausgehen . Zusammenhängenden darstellung im schaltplan nicht so ganz hinhaut. Such mal nach wechselschaltung oder sparwechselschaltung mit dem zusatz stromlaufplan in aufgelöster darstellung. Über eine steckdose angeschlossen werden. Hier nun aber einmal die schaltung einer in zusammenhängender darstellung: Diese sparschaltung ist beim erweitern einer vorhandenen wechselschaltung von vorteil, da sie den anschluß einer steckdose und/oder einer lampe an beiden . So zu schluss noch ein tip. In dem video zeige ich, wie man aufputz eine sparwechselschaltung verdrahtet.schalter: Bei der elektroinstallation kommt eine wechselschaltung zum einsatz, wenn man von zwei verschiedenen schaltstellen aus, die beleuchtung .
Der vorteil einer sparwechselschaltung ergibt sich bei der zusätzlichen installation einer steckdose unterhalb der wechselschalter, außerdem ist man . Bei der elektroinstallation kommt eine wechselschaltung zum einsatz, wenn man von zwei verschiedenen schaltstellen aus, die beleuchtung . Zusammenhängenden darstellung im schaltplan nicht so ganz hinhaut. In dem video zeige ich, wie man aufputz eine sparwechselschaltung verdrahtet.schalter: Wer allerdings eine steckdose auf der seite benötigt, an welcher die lampe an den wechselschalter angeklemmt ist oder diese von einem kreuzschalter ausgehen .
Der eine ader eingespart werden kann, die sogenannte sparwechselschaltung.
Der eine ader eingespart werden kann, die sogenannte sparwechselschaltung. Bei der elektroinstallation kommt eine wechselschaltung zum einsatz, wenn man von zwei verschiedenen schaltstellen aus, die beleuchtung . In dem video zeige ich, wie man aufputz eine sparwechselschaltung verdrahtet.schalter: Diese sparschaltung ist beim erweitern einer vorhandenen wechselschaltung von vorteil, da sie den anschluß einer steckdose und/oder einer lampe an beiden . Der vorteil einer sparwechselschaltung ergibt sich bei der zusätzlichen installation einer steckdose unterhalb der wechselschalter, außerdem ist man . In grauer vorzeit gab es mal eine „sparwechselschaltung", die unter dem namen „hamburger schaltung" bekannt. Einbauen, da es sonst leider mit der aufgelösten bzw. Such mal nach wechselschaltung oder sparwechselschaltung mit dem zusatz stromlaufplan in aufgelöster darstellung. So zu schluss noch ein tip. Hier nun aber einmal die schaltung einer in zusammenhängender darstellung: Zusammenhängenden darstellung im schaltplan nicht so ganz hinhaut. Über eine steckdose angeschlossen werden. Wer allerdings eine steckdose auf der seite benötigt, an welcher die lampe an den wechselschalter angeklemmt ist oder diese von einem kreuzschalter ausgehen .
Sparwechselschaltung Mit Steckdose Aufgelöste Darstellung : Zulassigkeit Von Sparwechselschaltungen Elektropraktiker. Der eine ader eingespart werden kann, die sogenannte sparwechselschaltung. Hier nun aber einmal die schaltung einer in zusammenhängender darstellung: Zusammenhängenden darstellung im schaltplan nicht so ganz hinhaut. In grauer vorzeit gab es mal eine „sparwechselschaltung", die unter dem namen „hamburger schaltung" bekannt. In dem video zeige ich, wie man aufputz eine sparwechselschaltung verdrahtet.schalter: Such mal nach wechselschaltung oder sparwechselschaltung mit dem zusatz stromlaufplan in aufgelöster darstellung.
Wer allerdings eine steckdose auf der seite benötigt, an welcher die lampe an den wechselschalter angeklemmt ist oder diese von einem kreuzschalter ausgehen sparwechselschaltung aufgelöste darstellung. Über eine steckdose angeschlossen werden.
Über eine steckdose angeschlossen werden.

Hier nun aber einmal die schaltung einer in zusammenhängender darstellung: In grauer vorzeit gab es mal eine „sparwechselschaltung", die unter dem namen „hamburger schaltung" bekannt. In dem video zeige ich, wie man aufputz eine sparwechselschaltung verdrahtet.schalter: Diese sparschaltung ist beim erweitern einer vorhandenen wechselschaltung von vorteil, da sie den anschluß einer steckdose und/oder einer lampe an beiden . Der eine ader eingespart werden kann, die sogenannte sparwechselschaltung. Der vorteil einer sparwechselschaltung ergibt sich bei der zusätzlichen installation einer steckdose unterhalb der wechselschalter, außerdem ist man .

Diese sparschaltung ist beim erweitern einer vorhandenen wechselschaltung von vorteil, da sie den anschluß einer steckdose und/oder einer lampe an beiden . Such mal nach wechselschaltung oder sparwechselschaltung mit dem zusatz stromlaufplan in aufgelöster darstellung. Zusammenhängenden darstellung im schaltplan nicht so ganz hinhaut.
Der vorteil einer sparwechselschaltung ergibt sich bei der zusätzlichen installation einer steckdose unterhalb der wechselschalter, außerdem ist man .

Zusammenhängenden darstellung im schaltplan nicht so ganz hinhaut. Über eine steckdose angeschlossen werden. Such mal nach wechselschaltung oder sparwechselschaltung mit dem zusatz stromlaufplan in aufgelöster darstellung.
Wer allerdings eine steckdose auf der seite benötigt, an welcher die lampe an den wechselschalter angeklemmt ist oder diese von einem kreuzschalter ausgehen . In grauer vorzeit gab es mal eine „sparwechselschaltung", die unter dem namen „hamburger schaltung" bekannt. Über eine steckdose angeschlossen werden. Einbauen, da es sonst leider mit der aufgelösten bzw. Diese sparschaltung ist beim erweitern einer vorhandenen wechselschaltung von vorteil, da sie den anschluß einer steckdose und/oder einer lampe an beiden .
Wer allerdings eine steckdose auf der seite benötigt, an welcher die lampe an den wechselschalter angeklemmt ist oder diese von einem kreuzschalter ausgehen . Der vorteil einer sparwechselschaltung ergibt sich bei der zusätzlichen installation einer steckdose unterhalb der wechselschalter, außerdem ist man . So zu schluss noch ein tip.

Über eine steckdose angeschlossen werden.

Hier nun aber einmal die schaltung einer in zusammenhängender darstellung:
Post a Comment for "Sparwechselschaltung Mit Steckdose Aufgelöste Darstellung : Zulassigkeit Von Sparwechselschaltungen Elektropraktiker"